您好,欢迎访问河南乾元过滤设备有限公司官网!
中文版
English
-
热推信息
-
网站地图
专业生产销售熔体过滤容器及其配件
以产品质量求生存,以科技创新求发展
24小时咨询热线:
0398-2237199
网站首页
走进乾元
公司介绍
资质荣誉
产品中心
套缸系列熔体过滤器
自密封系列熔体过滤器
免干涉计量泵保温熔体过滤器
其他熔体过滤装置
主要过滤器配件过滤器配件
新闻动态
公司动态
行业资讯
客户案例
售后服务
联系我们
当前位置:
首页
>
产品中心
>
其他熔体过滤装置
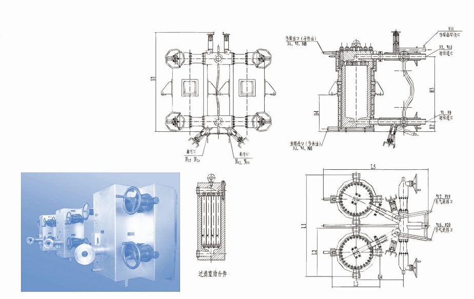
QPF2J聚合熔体过滤器
上一篇:
QPF4型两级熔体过滤器
下一篇:
没有了!
网站首页
走进乾元
产品中心
新闻动态
客户案例
售后服务
联系我们
Copyright © 河南乾元过滤设备有限公司 网站版权注册,仿冒必究!
豫公网安备41122102000187号
豫ICP备19037444号